Вход по брелкам.
Вход по картам.
Выход по картам.
Выход по брелкам.
Открытие двери командой из ПО
Метки Mifare 13,56 МГц
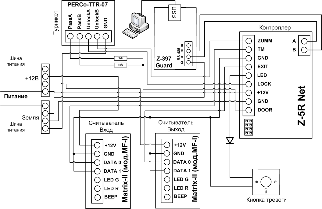
Турникет
Назначение выходов контроллера определяется при конфигурировании
Программируется компьютером
Лог событий хранится в энергонезависимой памяти контроллера.
Прошивка Extended
Драйвер для конвертера Z-397 Guard
ПО Guard Commander для программирования, получения лога события и тестирования контроллера
ПО Guard Light для учета рабочего времени, программирования, обновления и конфигурирования контроллера
ПО Guard Light: начало работы.
Учебный фильм. Обновление прошивки контроллера.
Учебный фильм. ПО Guard Commander
2015-2025 © Iron Logic | Производитель оборудования для систем контроля доступа
Ошибка в тексте? Выделите необходимый текст и нажмите Ctrl+Enter